28 de mai. de 2024
18 de mai. de 2024
Exercícios com retas paralelas cortada por transversal
1) Encontre o valor de x nas figuras abaixo:
RESPOSTAS:
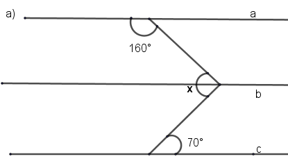
Lembrando que o suplemento é quando a soma de dois ângulos é igual a 180°
O suplemento de 110° é 70°
O suplemento de 160° é 20°
Resposta final: 70° + 20° = 90°
A resposta do valor de x e y esta no suplemento do ângulo 130°
Lembrando que o suplemento é quando a soma de dois ângulos é igual a 180°
O suplemento de 130° é 50° . O outro valor foi dado que é 30°
Logo a adição de x e y é; 50° + 30° = 80°

A resposta do valor de x esta no suplementares dos ângulos 140° e 150°
Lembrando que o suplemento é quando a soma de dois ângulos é igual a 180°
O suplemento de 140° é 40°
O suplemento de 150° é 30°
Logo 40° + 30° = 70°

A resposta do valor de x esta no suplementa do ângulo 138° é 42°
Como o outro ângulo já foi dado
Logo, 42° + 40° = 82°

50° + 70° = 30° + x
120° = 30° + x
x = 120° - 30°
x = 90°
Assinar:
Comentários (Atom)